공기압실린더·유니트
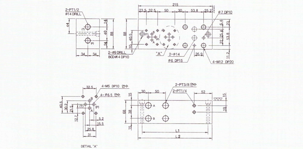
G02 기본형

| 제품번호 | SMB-02-1 | SMB-02-2 | SMB-02-3 | SMB-02-4 | SMB-02-5 | SMB-02-6 | SMB-02-7 | SMB-02-8 | SMB-02-9 | SMB-02-10 |
|---|---|---|---|---|---|---|---|---|---|---|
| L1 | 67 | 117 | 167 | 217 | 267 | 317 | 367 | 417 | 467 | 517 |
| L2 | 87 | 137 | 187 | 237 | 287 | 337 | 387 | 437 | 487 | 537 |
G02 기본형 (게이지부착)

| 제품번호 | SGMB-1 | SGMB-2 | SGMB-3 | SGMB-4 | SGMB-5 | SGMB-6 | SGMB-7 | SGMB-8 | SGMB-9 | SGMB-10 |
|---|---|---|---|---|---|---|---|---|---|---|
| L1 | 56 | 106 | 156 | 206 | 256 | 306 | 356 | 406 | 456 | 506 |
| L2 | 70 | 120 | 170 | 220 | 270 | 320 | 370 | 420 | 470 | 520 |
G02-03R1

| 제품번호 | SMB-02-1R1 | SMB-02-2R1 | SMB-02-3R1 | SMB-02-4R1 | SMB-02-5R1 | SMB-02-6R1 | SMB-02-7R1 | SMB-02-8R1 | SMB-02-9R1 | SMB-02-10R1 |
|---|---|---|---|---|---|---|---|---|---|---|
| L1 | 145 | 195 | 245 | 295 | 345 | 395 | 445 | 495 | 545 | 595 |
| L2 | 165 | 215 | 265 | 315 | 365 | 415 | 465 | 515 | 505 | 615 |
G02-03R2

| 제품번호 | SMB-02-1R2 | SMB-02-2R2 | SMB-02-3R2 | SMB-02-4R2 | SMB-02-5R2 | SMB-02-6R2 |
|---|---|---|---|---|---|---|
| L1 | 70 | 120 | 170 | 220 | 270 | 320 |
| L2 | 90 | 140 | 190 | 240 | 290 | 340 |
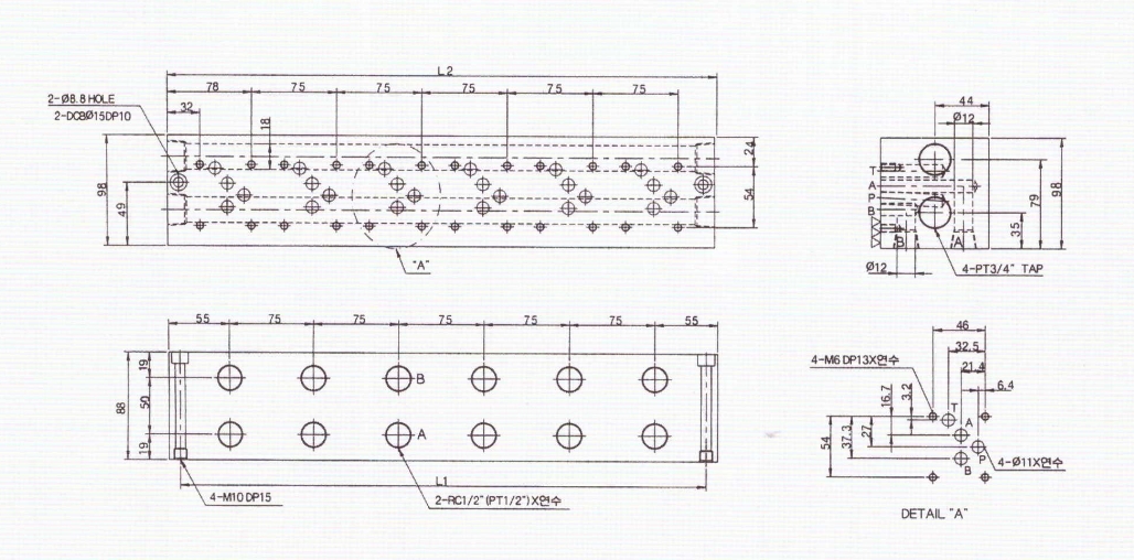
G03 기본형

| 제품번호 | SMB-03-1 | SMB-03-2 | SMB-03-3 | SMB-03-4 | SMB-03-5 | SMB-03-6 | SMB-03-7 | SMB-03-8 | SMB-03-9 | SMB-03-10 |
|---|---|---|---|---|---|---|---|---|---|---|
| L1 | 90 | 165 | 240 | 315 | 390 | 465 | 540 | 615 | 590 | 765 |
| L2 | 110 | 185 | 260 | 335 | 410 | 485 | 560 | 635 | 710 | 785 |
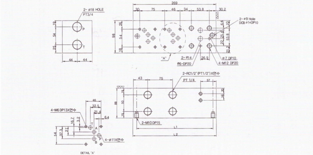
G03-03R1

| 제품번호 | SMB-03-1R1 | SMB-03-2R1 | SMB-03-3R1 | SMB-03-4R1 | SMB-03-5R1 | SMB-03-6R1 | SMB-03-7R1 | SMB-03-8R1 | SMB-03-9R1 | SMB-03-10R1 |
|---|---|---|---|---|---|---|---|---|---|---|
| L1 | 174 | 249 | 324 | 399 | 474 | 549 | 624 | 699 | 774 | 849 |
| L2 | 194 | 269 | 349 | 419 | 494 | 569 | 644 | 719 | 794 | 869 |
G03-03R2

| 제품번호 | SMB-03-1R2 | SMB-03-2R2 | SMB-03-3R2 | SMB-03-4R2 | SMB-03-5R2 | SMB-03-6R2 |
|---|---|---|---|---|---|---|
| L1 | 90 | 165 | 240 | 315 | 490 | 465 |
| L2 | 110 | 185 | 260 | 335 | 410 | 485 |
G03-06R (측면)

| 제품번호 | SMB-03-1R6 | SMB-03-2R6 | SMB-03-3R6 | SMB-03-4R6 | SMB-03-5R6 | SMB-03-6R6 |
|---|---|---|---|---|---|---|
| L1 | 90 | 165 | 240 | 315 | 490 | 465 |
| L2 | 110 | 185 | 260 | 335 | 410 | 485 |
G04-02R2

| 제품번호 | SMB-04-1R2 | SMB-04-2R2 |
|---|---|---|
| L1 | 110 | 208 |
| L2 | 130 | 228 |
G06 기본형

| 제품번호 | SMB-06-1 | SMB-06-2 | SMB-06-3 | SMB-06-4 | SMB-06-5 | SMB-06-6 |
|---|---|---|---|---|---|---|
| L1 | 142 | 267 | 392 | 517 | 642 | 767 |
| L2 | 162 | 287 | 412 | 537 | 662 | 787 |
G06-06R (측면)

| 제품번호 | SMB-06-1R2 | SMB-06-2R2 |
|---|---|---|
| L1 | 142 | 267 |
| L2 | 162 | 287 |
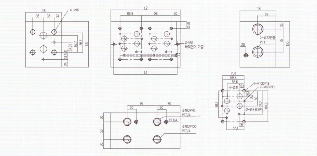
G02 (SUB Plate)

G03 (SUB Plate)



